
5月24日,香港大学化学博士郝宇通过微信公众号“大嘴博士研究所”刊文,发布关于重组胶原蛋白巨头巨子生物旗下明星产品可复美的检测报告,将巨子生物(02367.HK)推向舆论旋涡。

郝宇称巨子生物疑似造假,重组胶原测不到胶原,并展示了国际标准HPLC高效液相色谱氨基酸定量法的检测结果,显示可复美旗舰产品“胶原棒”中重组胶原蛋白实际含量仅为0.0177%,远低于0.1%的标注下限,且关键成分甘氨酸未检出。
很快,公众号内容引爆舆论,#可复美#相关词条登上微博热搜,随后巨子生物可复美官微发布告消费者书,驳斥网传“巨子生物可复美产品检测未添加重组胶原蛋白成分”的相关言论为不实,并表示已委托多家权威第三方检测机构对该相关产品采用多种检测方法进行检测,最新检测报告将在出炉第一时间公布。
针对巨子生物的驳斥,郝宇向《每日经济新闻》记者回应称,巨子生物的声明未能完全回应其文章提出的三个问题,仅针对检测结果做了简单澄清与说明。其透露将准备一份更具体的声明,与巨子生物进一步探讨产品检测、技术及方法等方面的细节问题。
此外,每经记者亦前往巨子生物公司总部采访。一位方姓负责人称,公司已就此事官方发声,目前不接受任何媒体采访。
化学博士指控可复美“造假”
5月24日,香港化学博士郝宇通过自媒体“大嘴博士研究所”发布检测报告,直指巨子生物(02367.HK)旗下明星产品可复美“重组胶原蛋白精华”涉嫌成分造假。
这一指控迅速引发市场震荡,引发投资者与消费者对这家“胶原蛋白第一股”的信任危机,也将巨子生物品牌信誉、技术真实性及监管合规性推至风口浪尖。
每经记者注意到,郝宇团队通过高精度检测手段对可复美“胶原棒”展开分析,提出关键质疑。

首先,郝宇称巨子生物成分含量虚标。检测结果显示,产品中重组胶原蛋白含量仅为0.0177%,但在成分表中却标注为非微量成分(按法规需≥0.1%)。而聚谷氨酸钠(0.1004%)和精氨酸(0.1579%)的含量虽符合非微量标准,却被排在重组胶原蛋白之后,涉嫌违反《化妆品标签管理办法》的含量降序排列规则。
更关键的是,巨子生物宣称的“Mini小分子型重组胶原蛋白”分子量仅为217道尔顿。从生物化学角度看,这一分子量最多由两个氨基酸组成(二肽),无法形成稳定的胶原蛋白三股螺旋结构,与宣传的“功能性蛋白”存在本质差异。
其次是核心成分缺失。巨子生物联合创始人范代娣曾在其著作《胶原蛋白材料》中明确指出,甘氨酸是胶原蛋白的关键结构成分,占比高达三分之一。
然而郝宇的检测报告显示,可复美“胶原棒”中并未检出甘氨酸。这一发现直接挑战了巨子生物重组胶原蛋白技术的真实性——若连基础结构成分都不存在,所谓“重组胶原”可能仅是营销概念。
为确保结果可靠性财惠赚,郝宇表示,团队采用高精度HPLC法,并添加18个氨基酸内标进行校准,该方法灵敏度极高,理论上可检测出十万分之一的蛋白含量。
上述文章称,团队还进行了盲测和复测,结果一致显示胶原蛋白含量严重不足。这与巨子生物此前使用的内部检测方法形成鲜明对比。
25日上午,郝宇向《每日经济新闻》记者回应称,市场上所谓的“重组胶原蛋白精华”很可能根本未添加重组胶原蛋白,这是行业内一个公开的秘密。他指出,从事原料研发的企业通常会自行对各类产品进行内部检测,以深入了解行业内的产品与技术。事实上,圈内众多从事研发和原料工作的专业人士早已通过实验室检测得出了上述结论。
巨子生物驳斥造假为不实
5月24日晚间,面对郝宇的指控,巨子生物迅速在可复美官微作出驳斥并回应。
巨子生物在回应中,首先强调了产品的合规性。其表示,旗下产品均通过药监部门的严格审核备案,成分标注符合《化妆品监督管理条例》的要求。
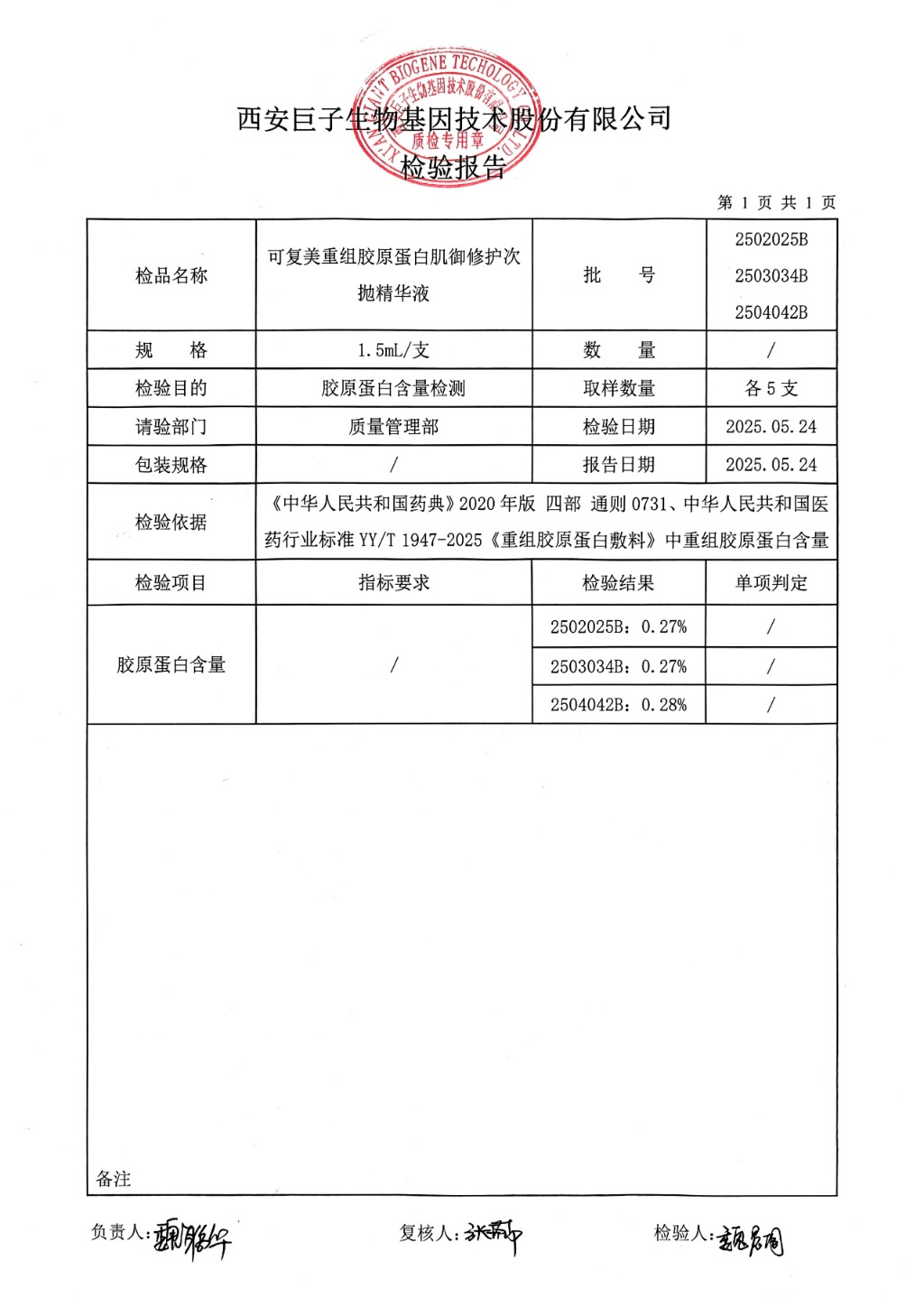
针对胶原蛋白含量争议这一核心问题,巨子生物指出,公司已参考《中华人民共和国药典》及行业标准YY/T 1947-2025对多批次产品进行检测,结果均显示胶原蛋白含量大于0.1%,与网传的“0.0177%”严重不符。

同时,巨子生物认为自媒体使用的检测方法未被行业标准收录,且由于未获得原料样本,无法进行方法学验证,由此得出的检测结果不具备可信度,直指此次争议中检测方法的科学性问题。
为消除消费者疑虑,巨子生物表示已委托多家权威第三方机构,采用多种检测方法对产品进行检测,并表示 “检测需要时间”,承诺会在结果出炉后第一时间披露。
除了反驳释疑,巨子生物透露已对相关证据进行收集固定,将依法追究造谣者的法律责任,态度颇为强硬。
针对巨子生物的驳斥及回应,郝宇向记者表示,其文章提出了三个问题,但巨子生物的这份声明并未对这三个问题完全作出回应,尤其是第二个和第三个问题。“他们现在基本上就是仅就这个检测结果,做了一些简单的澄清和说明。”
此外,郝宇也向每经记者透露,“我这边还会再准备一份声明和巨子生物进一步探讨其中的一些产品检测、技术及方法等方面的细节问题,声明内容将作非常具体的说明。”
25日上午9:30,每经记者也来到位于上林苑七路的巨子生物总部进一步采访,一位方姓负责人表示,现在是周末时间,整个厂区只有少量工人在上班,相关的采访对象都不在。其次,公司官方关于此事已经发声了,目前不接受采访,任何媒体都不接待。
行业技术标准的博弈?
此次被公开质疑的是“可复美胶原棒”,即“可复美重组胶原蛋白肌御修护次抛精华”。
作为巨子生物旗下第一大产品线“可复美”的明星产品,该款精华在官方旗舰店液态精华销售榜单中位居榜首,截至5月25日,销量已突破100万件。

2011年,巨子生物以类人胶原蛋白的科研成果为基础,推出了“可复美”品牌,号称国内首款获批二类械的重组胶原蛋白产品。
在朋友圈微商的大力种草,以及与头部网红的深度绑定下,“可复美”迅速积累了声量与销量。2023年、2024年,可复美分别实现销售收入27.88亿元、45.42亿元,占总营收的比重分别达到79%、82.0%,成为公司业绩的重要支柱。
尤其是此番临近618大促,作为全年销售的关键节点之一,若争议持续发酵,或将引发消费者退货潮及渠道商观望情绪,直接冲击公司业绩。
目前社交平台上,一些“成分党”发起抵制行动,“高价低质”“医美人天塌了”成为热评关键词;但也有部分忠实用户力挺产品,称其为“敏肌救星”“做完脸必用的品牌”,还有不少消费者处于观望状态。
对于巨子生物来讲,重组胶原蛋白是其核心竞争力所在。一旦成分争议持续扩大,不仅会影响现有产品的销售,还可能波及公司在研项目,甚至降低已申请专利的价值。
因此,巨子生物亟须尽快公布第三方检测结果,通过加强学术合作、参与行业标准制定等方式,重新建立消费者与市场对其技术的信任。
此外,因此前曾陷入“类传销”争议,巨子生物终止了与多家经销商的合作,转向线上平台直销。这种转型使得企业对线上直销渠道依赖度极高,也导致销售及经销开支大幅增长。
2024年全年,巨子生物销售及经销开支高达20.08亿元,占全部营收的比例为36.25%。而同期研发费用仅1.06亿元,占收入比例为1.9%,营销与研发投入的失衡问题凸显。
站在行业视角,巨子生物作为重组胶原蛋白领域的龙头企业,自2022年11 月登陆港交所后,借着“重组胶原蛋白”赛道的热闹,迎来了高速增长期。
但近期,整个重组胶原蛋白行业本就争议不断,如今龙头企业深陷“胶原蛋白含量”舆论旋涡,暴露出重组胶原蛋白检测的行业性问题。
目前国内尚无统一的检测方法标准,不同机构采用ELISA法、LC-MS法、HPLC法等得出的结果差异显著。这种标准缺失不仅加剧了品牌与消费者的矛盾,也影响医美行业的信任度及相关公司的透明性。
可复美的质疑造假,本质是一场技术标准与商业利益的博弈。当化学博士用精密检测仪器撕开“行业黑箱”,上市公司以合规声明构建防御壁垒,这场争议的终极裁决者仍是消费者的信任与监管的天平。
于巨子生物而言,短期需以透明的权威检测数据平息舆论,长期来看,则需实现从“营销驱动”到“科技驱动”的转型,在重组胶原蛋白的分子量、功效性、检测标准等核心领域建立行业话语权。
毕竟,在千亿医美护肤赛道,没有绝对的胜利者财惠赚,只有持续的创新和生存者。而这场风波的最终走向,或将成为中国功效护肤品行业规范化发展的关键转折点。
东兴资本配资提示:文章来自网络,不代表本站观点。